Двухступенчатые цилиндрические редукторы серии 1Ц2У-315Н, 1Ц2У-355Н, 1Ц2У-400Н, 1Ц2Н-450, 1Ц2Н-500. Город Архангельск, Архангельская область

 

Техническое описание

Условия применения

Габаритные и присоединительные размеры

Варианты сборки

Технические характеристики

Паспорт

 

 

Техническое описание 1Ц2У-315Н, 1Ц2У-355Н, 1Ц2У-400Н, 1Ц2Н-450, 1Ц2Н-500

Редукторы серии 1Ц2У-315Н, 1Ц2У-355Н, 1Ц2У-400Н, 1Ц2Н-450, 1Ц2Н-500 предназначены для понижения угловой скорости и увеличения крутящего момента. Редукторы применяются во всех отраслях промышленности в качестве привода машин и агрегатов.

 

 

условия использования цилиндрического редуктора Ц2У:

  • Устройство адаптировано для работы в условиях переменной или постоянной нагрузки,
  • Тип нагрузки: одного направления или реверсивная;
  • Возможны два режима использования редуктора: постоянная работа, а также с периодическими остановками и перерывами;
  • Быстроходный вал осуществляет вращение в обе стороны, частота вращения не выше 1 500 об/мин.

 

 

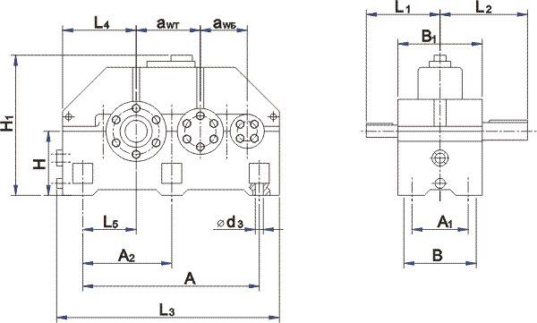
Габаритные и присоединительные размеры

 

Габаритные и присоединительные размеры Ц2У315Н - Ц2У500Н

Габаритные и присоединительные размеры Ц2У315Н - Ц2У500Н

 


Типоразмер
аw Б
аw T
A
A1
A2
B
H
H1
H2
L1
L2
L3
L4
L5
1Ц2У-315Н
200
315
740
260
370
340
335
685
35
300
420
1045
360
215
1Ц2У-355Н
225
355
850
280
425
360
375
740
35
320
440
1170
405
250
1Ц2У-400Н
250
400
950
330
475
420
425
835
42
380
500
1320
450
280
1Ц2Н-450
280
450
1060
515
530
590
475
955
50
500
650
1475
500
310
1Ц2Н-500
315
500
1220
580
615
650
530
1030
60
530
690
1660
530
360

 

Типоразмер
b1
b2
d1
d2
d3
h1
h2
l1
l2
t1
t 2
Объем заливаемого масла, л
Масса, кг
1Ц2У-315Н
14
28
50k6
110
28
9
16
110
210
44
100
30
520
1Ц2У-355Н
16
32
55k6
125
28
10
18
110
210
44
114
35
700
1Ц2У-400Н
18
36
60k6
140
35
11
20
140
250
53
128
60
940
1Ц2Н-450
22
40
80 k6
160
35
14
22
170
300
71
157
90
1530
1Ц2Н-500
25
45
90 k6
180
42
14
25
170
300
81
165
100
2100

 

 

Варианты сборки редукторов типа Ц2У

 

Варианты сборки редукторов типа Ц2У

 

 

Технические характеристики


Типоразмер редуктора
Частота вращения быстроходного вала, об/мин
Режим работы
Передаточное число (номинальное)
8
10
12,5
16
20
25
31,5
40
50
1Ц2У-315Н
500
Л
С
Т
H
10300 9200 9200 8300
10700 9200 9200 8400
10400 9200 9200 8600
9900 9200 9200 8300
10800 8600 8600 8400
11200 8600 8600 8400
9800 8600 8600 8600
8700 8700 8600 8200
10700 7900 7600 7600
750
Л
С
Т
H
9700 9200 9100 8100
10100 9200 9200 8200
10 300 9200 9200 8300
9900 9200 9100 8200
10100 8600 8600 8200
10500 8600 8600 8300
9800 8600 8600 8400
8700 8600 8600 7900
10000 7600 7600 7600
1000
Л
С
Т
H
9200 9200 8900 8000
9600 9200 9100 8100
9900 9200 9100 8200
9800 9200 8800 8200
9600 8600 8600 7900
10000 8600 8600 8100
9800 8600 8600 8300
8700 8600 8600 7800
9600 7600 7600 7600
1500
Л
С
Т
H
9100 8900 8600 8000
9200 9100 8800 8000
9300 9200 8800 8100
9600 9200 8500 8100
9000 8600 8600 7700
9300 8600 8600 7800
9700 8600 8600 7900
8600 8600 8409 7600
8900 7600 7600 7500
1Ц2У-355Н
500
Л
С
Т
H
14000 12600 12600 11600
14600 12600 12600 11800
14200 12600 12600 11900
13500 12600 12600 11500
12500 12500 12000 10600
15300 11700 11700 11700
13500 11700 11700 11700
12000 12000 11700 11400
14700 10800 10400 10400
750
Л
С
Т
H
13200 12600 12500 11300
13700 12600 12600 11400
14000 12600 12600 11600
13400 12600 12500 11400
12500 12300 11700 10400
14300 11700 11700 11600
13500 11700 11700 11700
12000 11700 11700 10900
13700 10400 10400 10400
1000
Л
С
Т
H
12500 12500 12200 12200
13100 12600 12600 11300
13600 12600 12600 11400
13300 12600 12600 11200
12300 11900 11500 10200
13600 11700 11700 11300
13500 11700 11700 11500
12000 11700 11700 10800
13100 10400 10400 10400
1500
Л
С
Т
H
12300 12300 11900 11100
12400 12400 12100 11200
12600 12500 12100 11200
12900 12600 11700 11200
12100 11300 11100 9800
12700 11700 11700 10900
13200 11700 11700 11100
11800 11700 11700 10500
12200 10400 10400 10400
1Ц2У-400Н
500
Л
С
Т
H
19600 17700 17700 16200
19800 17700 17700 16600
19400 17700 17700 16500
18400 17700 17700 15900
20700 16400 16400 16400
20900 16400 16400 16400
18300 16400 16400 16400
16200 16200 16200 15700
20400 15000 14600 14600
750
Л
С
Т
H
18500 17700 17400 16100
19300 17700 17700 16300
19100 17700 17700 16300
18200 17700 17400 15700
19300 16400 16400 16400
20000 16400 16400 16400
18300 16400 16400 16400
16200 15100 16200 15100
19100 14600 14600 14600
1000
Л
С
Т
H
17500 17500 17000 16100
18300 17700 17500 16300
18700 17700 17400 16100
18000 17700 16800 15600
18400 16400 16400 16400
19100 16400 16400 16400
18200 16400 16400 16100
16200 16200 16200 15000
18200 14600 14600 14600
1500
Л
С
Т
H
-
-
-
-
-
-
-
-
17700 17500 16800 16100
17500 17500 16300 15500
17200 16400 16400 15600
17800 16400 16400 15900
17900 16400 16400 15600
15900 15900 15900 14600
17000 14600 14600 14600
1Ц2Н-450
500
Л
С
Т
H
29600 27700 27700 26200
29800 27700 27700 26600
29400 27700 27700 26500
28400 27700 27700 25900
20700 26400 26400 26400
20900 26400 26400 26400
28300 26400 26400 26400
26200 26200 26200 25700
20400 25000 24600 24600
750
Л
С
Т
H
28500 27700 27400 26100
29300 27700 27700 26300
29100 27700 27700 26300
28200 27700 27400 25700
29300 26400 26400 26400
20000 26400 26400 26400
28300 26400 26400 26400
26200 25100 26200 25100
29100 24600 24600 24600
1000
Л
С
Т
H
27500 27500 27000 26100
28300 27700 27500 26300
28700 27700 27400 26100
28000 27700 26800 25600
28400 26400 26400 26400
29100 26400 26400 26400
28200 26400 26400 26100
26200 26200 26200 25000
28200 24600 24600 24600
1500
Л
С
Т
H
-
-
-
-
-
-
-
-
27700 27500 26800 26100
27500 27500 26300 25500
27200 26400 26400 25600
27800 26400 26400 25900
27900 26400 26400 25600
25900 25900 25900 24600
27000 24600 24600 24600
1Ц2Н-500
500
Л
С
Т
H
49600 47700 47700 46200
49800 47700 47700 46600
49400 47700 47700 46500
48400 47700 47700 45900
40700 46400 46400 46400
40900 16400 16400 16400
48300 46400 46400 46400
46200 46200 46200 45700
50400 45000 44600 44600
750
Л
С
Т
H
48500 47700 47400 46100
49300 47700 47700 46300
49100 47700 47700 46300
48200 47700 47400 45700
49300 46400 46400 46400
40000 46400 46400 46400
48300 46400 46400 46400
46200 45100 46200 45100
49100 44600 44600 44600
1000
Л
С
Т
H
44400 44400 44400 44400
48000 46600 46600 46600
48000 46900 46900 46900
46000 46000 46000 46000
41100 41100 41100 41100
49600 45200 45200 45200
42200 42200 42200 42200
48700 40000 40000 40000
43200 40000 40000 40000
1500
Л
С
Т
H
-
-
-
-
-
-
-
-
-
-
-
-
44200 44200 44200 44200
39800 39800 39800 39800
48100 15200 45200 45200
41200 41200 41200 41200
45500 40000 40000 40000
42500 40000 40000 40000

Допускаемые крутящие моменты на тихоходном валу, Нм
*** Л - лёгкий ПВ = 15 %; С - средний ПВ = 25 %; Т - тяжёлый ПВ = 40 %; Н - непрерывный ПВ = 100 %.


Наименование технических характеристик
Типоразмер редуктора
1Ц2У-315Н
1Ц2У-355Н
1Ц2У-400Н
1Ц2Н-450
1Ц2Н-500
Межосевое расстояние, мм
тихоходной ступени, аwT быстроходной ступени, аwБ для вариантов сборок 11,12,13,21,22,23
315
200
4000
355
225
5000
400
250
7100
450
280
10000
500
315
12500
Допускаемая радиальная  консольная нагрузка, Н
на быстроходном валу, р6
для вариантов сборок 31, 32,33
2000
2500
3550
5000
6250
На тихоходном валу. рт
для вариантов сборок 11, 12, 21,22, 31, 32
22400
28000
31500
60000
80000
для вариантов сборок 13, 23,33
11200
14000
15750
30000
40000
Коэффициент полезного действия, ή , не менее
0,98

Допускаемая радиальная консольная нагрузка на концы валов и термическая мощность

 

Двухступенчатые цилиндрические редукторы 1Ц2У-100, 1Ц2У-125, 1Ц2У-160, 1Ц2У-200, 1Ц2У-250

Одноступенчатые цилиндрические редукторы серии ЦУ-100, ЦУ-160, ЦУ-200, ЦУ-250

Двухступенчатые цилиндрические редукторы серии 1Ц2У-315Н, 1Ц2У-355Н, 1Ц2У-400Н, 1Ц2Н-450, 1Ц2Н-500

Трехступенчатые цилиндрические редукторы ЦЗУ-160, ЦЗУ-200, ЦЗУ-250

Одноступенчатые червячные редукторы серии 1Ч-63А

Одноступенчатые червячные редукторы Ч-100, Ч-125, Ч-160

Одноступенчатые червячные редукторы 1Ч-160

Двухступенчатые редукторы Ч2-160

Редукторы червячные одноступенчатые 4Ч-80

Одноступенчатые червячные редукторы Ч-80

Одноступенчатые червячные редукторы 2Ч-40, 2Ч-63, 2Ч-80

Цилиндрические соосные мотор-редукторы MTC A

Цилиндрические соосные мотор-редукторы R (RF)

Двухступенчатые мотор-редукторы 4МЦ2С, 4МЦ2С-63, 4МЦ2С-80, 4МЦ2С-100, 4МЦ2С-125

Цилиндрические мотор-редукторы 1МЦ2С, 1МЦ2С-63, 1МЦ2С-80, 1МЦ2С-100, 1МЦ2С-125

Цилиндрические плоские мотор-редукторы серии F

Мотор-редукторы планетарные тип: 3МП-31,5; 3МП-40; 3МП-50; 3МП-63; 3МП-80; 3МП-100; 3МП-125

Мотор-редукторы планетарные двухступенчатые МПО2М-10, МПО2М-15

Мотор-редукторы планетарные одноступенчатые типа МПО1М-10

Мотор-редукторы планетарные МРВ-02 и МРВ-04

Волновые мотор-редукторы ЗМВз

Цилиндро-конические мотор-редукторы K

 


 
© 2014 Редукторы, мотор-редукторы, устройства плавного пуска, преобразователи частоты